鹽城市绿巨人视频下载污組合機床有限公司
绿巨人视频免费观看在线播放最新廠家電話 全國谘詢熱線
13770088480
绿巨人视频免费观看在线播放最新廠家
熱門關鍵詞:
產品展示
PRODUCT CATEGORIES
绿巨人视频免费观看在线播放最新 機械滑台 標準雙麵銑 組合機床 進給箱 定流向擺線泵 柱塞泵 蝸輪蝸杆 電磁製動器
聯係绿巨人视频下载污 / Contact
鹽城市绿巨人视频下载污組合機床有限公司
地址:鹽城亭湖區新洋街道新鹽路51號
聯係人:楊經理
手機:13770088480
電話:0515-88631001
傳真:0515-88631002
郵箱:13770088480@139.com
網址:http://www.clml7177771.com
產品展示/  PRODUCTS 當前位置:首頁 >> 產品展示 >> 绿巨人视频免费观看在线播放最新

1TX25P同步帶绿巨人视频免费观看在线播放最新

[來源:www.clml7177771.com] [绿巨人视频免费观看在线播放最新] [收藏本頁] [打印本頁] [關閉窗口]


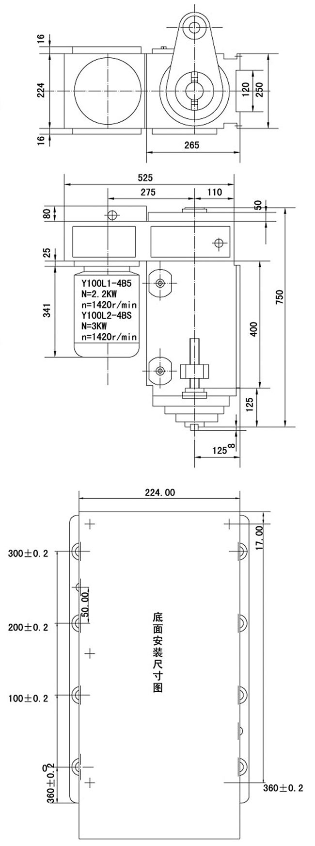
主要規格和技術參數

序號

項目

單位

規格

1

總底麵寬度

MM

250

2

底麵長度

MM

500

3

7:24錐孔主軸端號

MM

N0. 40(Φ88. 882)

4

主軸外伸

MM

160

5

主軸中心高

MM

125

6

刀盤直徑

MM

Φ100- Φ250

7

滑套調整量

MM

60

8

滑套直徑

MM

Φ140

9

電機功率

KW

3KW/4KW

10

配套傳動裝置及 主軸轉速

r/min

1NGB25

低速組

80-400

高速組

125-630

11

外形尺寸 (長X寬X高)

MM

配置1NGc25

810X250X500

12

重量

Kg

配置1NGb25

250

绿巨人视频下载污绿巨人视频免费观看在线播放最新優點:

1、齒輪為桁磨斜齒輪(可選精磨)

2、主軸軸承為哈爾濱原八廠生產的帶級雙列短圓柱及角接觸軸承

 (1TX32主軸承為D3182118K及C2268118K及尾部D2216)

3、所有安裝及配合麵全部磨削加工,運動副全部高頻淬火

4、主軸必須鍛打後鹽浴調質、淬火,尾部是花鍵傳動而非平鍵

5、主軸調隙螺母為台灣R型徑向鎖緊螺母

6、普通級绿巨人视频免费观看在线播放最新,主軸軸向竄動≤0.01mm,徑向跳動≤0.02mm

7、潤滑為自動循環式,隻須加少須機油,即可潤滑所有軸承及齒輪

8、绿巨人视频免费观看在线播放最新下部有經過人工刮研的導向槽,便於調整绿巨人视频免费观看在线播放最新安裝時定位。

9、服務承諾:三包壹年,其間服務及配件全部免費,遇無法溝通的質量問題,立即無條件更換新機器,費用由供方自理。其後終身成本價服務

版權所有:鹽城市绿巨人视频下载污組合機床有限公司  2021  網站地圖
聯係人:楊經理 熱線手機:13770088480 電話:0515-88631001 傳真:0515-88631002
地址:鹽城亭湖區新洋街道新鹽路51號